본문 바로가기
X 1일간닫기

전체상품

탄소강 용접피팅

상품간략정보 및 구매기능

다른지름 티 PS380W S40 백관

용접용 백관

50% 10,000원

상품 선택옵션 1 개, 추가옵션 0 개

제조사 창주성존관업설비유한공사
원산지 중국
브랜드 창주성존관업설비유한공사
모델 T(R) 흑관
시중가격 20,000원
판매가격 10,000원
0점
배송비결제 주문시 결제

선택옵션

관련상품

등록된 관련상품이 없습니다.

상품 상세설명

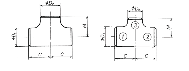
3ea4e88e4de3a07e8397b6032a61a241_1750218216_55.png
                                                                                                                             단위 : mm

지름의 호칭 ①×②×③ 바깥지름 중심에서 끝면
까지의 거리
지름의 호칭 ①×②×③ 바깥지름 중심에서 끝면
까지의 거리
A B D1 D2 C M A B D1 D2 C M
20×20×15 ¾× ¾× ½ 27.2 21.7 28.6 28.6 400×400×350 16×16×14 406.4 355.6 304.8 304.8
25×25×20 1 ×1 × ¾ 34.0 27.2 38.1 38.1 400×400×300 16×16×12 406.4 318.5 304.8 295.3
25×25×15 1 ×1 × ½ 34.0 21.7 38.1 38.1 400×400×250 16×16×10 406.4 267.4 304.8 282.6
32×32×25 1¼×1¼×1  42.7 34.0 47.6 47.6 400×400×200 16×16× 8 406.4 216.3 304.8 273.1
32×32×20 1¼×1¼× ¾ 42.7 27.2 47.6 47.6 400×400×150 16×16× 6 406.4 165.2 304.8 263.5
32×32×15 1¼×1¼× ½ 42.7 21.7 47.6 47.6 450×450×400 18×18×16 457.2 406.4 342.9 330.2
40×40×32 1½×1½×1¼ 48.6 42.7 57.2 57.2 450×450×350 18×18×14 457.2 355.6 342.9 330.2
40×40×25 1½×1½×1 48.6 34.0 57.2 57.2 450×450×300 18×18×12 457.2 318.5 342.9 320.7
40×40×20 1½×1½× ¾ 48.6 27.2 57.2 57.2 450×450×250 18×18×10 457.2 267.4 342.9 308.0
40×40×15 1½×1½× ½ 48.6 21.7 57.2 57.2 500×500×450 20×20×18 508.0 457.2 381.0 368.3
50×50×40 2 ×2 ×1½  60.5 48.6 63.5 60.3 500×500×400 20×20×16 508.0 106.4 381.0 355.6
50×50×32 2 ×2 ×1¼ 60.5 42.7 63.5 57.2 500×500×350 20×20×14 508.0 355.6 381.0 355.6
50×50×25 2 ×2 ×1 60.5 34.0 63.5 50.8 500×500×300 20×20×12 508.0 318.5 381.0 346.1
50×50×20 2 ×2 × ¾ 60.5 27.2 63.5 44.5 500×500×250 20×20×10 508.0 267.4 381.0 333.4
65×65×50 2½×2½×2 76.3 60.5 76.2 69.9 500×500×200 20×20×18 508.0 216.3 381.0 323.9
65×65×40 2½×2½×1½ 76.3 48.6 76.2 66.7 550×550×500 22×22×20 558.8 508.0 419.1 406.4
65×65×32 2½×2½×1¼ 76.3 42.7 76.2 63.5 550×550×450 22×22×18 558.8 457.2 419.1 393.7
65×65×25 2½×2½×1 76.3 34.0 76.2 57.2 550×550×400 22×22×16 558.8 406.4 419.1 381.0
80×80×65 3 ×3 ×2½ 89.1 76.3 85.7 82.6 600×600×550 24×24×22 609.6 558.8 431.8 431.8
80×80×50 3 ×3 ×2 89.1 60.5 85.7 76.2 600×600×500 24×24×20 609.6 508.0 431.8 431.8
80×80×40 3 ×3 ×1½ 89.1 48.6 85.7 73.0 600×600×450 24×24×18 609.6 457.2 431.8 419.1
80×80×32 3 ×3 ×1¼ 89.1 42.7 85.7 69.9 650×650×600 26×26×24 660.4 609.0 495.3 482.6
90×90×80 3½×3½×3 101.6 89.1 95.3 92.1 650×650×550 26×26×22 660.4 558.8 495.3 469.9
90×90×65 3½×3½×2½ 101.6 76.3 95.3 88.9 650×650×500 26×26×20 660.4 508.0 495.3 457.2
90×90×50 3½×3½×2 101.6 60.5 95.3 82.6 700×700×650 28×28×26 711.2 660.4 520.7 520.7
90×90×40 3½×3½×1½ 101.6 48.6 95.3 79.4 700×700×600 28×28×24 711.2 609.6 520.7 508.0
110×100×90 4 ×4 ×3½ 114.3 101.6 104.8 101.6 700×700×550 28×28×22 711.2 558.8 520.7 495.3
100×100×80 4 ×4 ×3 114.3 89.1 104.8 98.4 750×750×700 30×30×28 762.0 711.2 558.8 546.1
100×100×65 4 ×4 ×2½ 114.3 76.3 104.8 95.3 750×750×650 30×30×26 762.0 660.4 558.8 546.1
100×100×50 4 ×4 ×2 114.3 60.5 104.8 88.9 750×750×600 30×30×24 762.0 609.6 558.8 533.4
100×100×40 4 ×4 ×½ 114.3 48.6 104.8 85.7 800×800×750 32×32×30 812.8 762.0 596.9 584.2
125×125×100 5× 5× 4 139.8 114.3 123.8 117.5 800× 800× 700 32×32×28 812.8 711.2 596.9 571.5
125×125× 90 5× 5× 3½ 139.8 101.6 123.8 114.3 800× 800× 650 32×32×26 812.8 660.4 596.9 571.5
125×125× 80 5× 5× 3 139.8 89.1 123.8 111.1 850× 850× 800 34×34×32 863.6 812.8 635.0 622.3
125×125× 65 5× 5× 2½ 139.8 76.3 123.8 108.0 850× 850× 750 34×34×30 86.4 762.0 635.0 609.6
125×125× 50 5× 5× 2 139.8 60.5 123.8 104.8 850× 850× 700 34×34×28 863.6 711.2 635.0 596.9
150×150×125 6× 6× 5 165.2 139.8 142.9 136.5 900× 900× 850 36×36×34 914.4 863.6 673.1 660.4
150×150×100 6× 6× 4 165.2 114.3 142.9 130.2 900× 900× 800 36×36×32 914.4 812.8 673.1 647.7
150×150× 90 6× 6× 3½ 165.2 101.6 142.9 127.0 900× 900× 750 36×36×30 914.4 762.0 673.1 635.0
150×150× 80 6× 6× 3 165.2 89.1 142.9 123.8 950× 950× 900 38×38×36 965.2 914.4 711.2 711.2
150×150× 65 6× 6× 2½ 165.2 76.3 142.9 120.7 950× 950× 850 38×38×34 965.2 863.6 711.2 698.5
200×200×150 8× 8× 6 216.3 165.2 177.8 168.3 950× 950× 800 38×38×32 965.2 812.8 711.2 685.8
200×200×125 8× 8× 5 216.3 139.8 177.8 161.9 1000×1000× 950 40×40×38 1016.0 965.2 749.3 749.3
200×200×100 8× 8× 4 216.3 114.3 177.8 155.6 1000×1000× 900 40×40×36 1016.0 914.4 749.3 736.6
200×200× 90 8× 8× 3½ 216.3 101.6 177.8 152.4 1000×1000× 850 40×40×32 1016.0 863.6 749.3 723.9
250×250×200 10×10× 8 267.4 216.3 215.9 203.2 1050×1050×1000 42×42×40 1066.8 1016.0 762.0 711.2
250×250×150 10×10× 6 267.4 165.2 215.9 193.7 1050×1050× 950 42×42×38 1066.8 965.2 762.0 711.2
250×250×125 10×10× 5 267.4 139.8 215.9 190.5 1050×1050× 900 42×42×36 1066.8 914.4 762.0 711.2
250×250×100 10×10× 4 267.4 114.3 215.9 184.2 1100×1100×1050 44×44×42 1117.6 1066.8 812.8 762.0
300×300×250 12×12×10 318.5 267.4 254.0 241.3 1100×1100×1000 44×44×40 1117.6 1016.0 812.8 749.3
300×300×200 12×12× 8 318.5 216.3 254.0 228.6 1100×1100× 950 44×44×38 1117.6 965.2 812.8 736.6
300×300×150 12×12× 6 318.5 165.2 254.0 219.1 1150×1150×1100 46×46×44 1168.4 1117.6 850.9 800.1
300×300×125 12×12× 5 318.5 139.8 254.0 215.9 1150×1150×1050 46×46×42 1168.4 1066.8 850.9 787.4
250×350×300 14×14×12 355.6 318.5 279.4 269.9 1150×1150×1000 46×46×40 1168.4 1016.0 850.9 774.7
350×350×250 14×14×10 355.6 267.4 279.4 257.2 1200×1200×1150 48×48×46 1219.2 1168.4 889.0 838.2
350×350×200 14×14× 8 355.6 216.3 279.4 247.7 1200×1200×1100 48×48×44 1219.2 1117.6 889.0 838.2
350×350×150 14×14× 6 355.6 165.2 279.4 238.1 1200×1200×1050 48×48×42 1219.2 1066.8 889.0 812.8


상품 정보 고시

품명 다른지름 티 PS380W S40 백관
모델명 T(R) 백관
법에 의한 인증·허가 등을 받았음을 확인할 수 있는 경우 그에 대한 사항 KS B1543 인증 제품
제조국 또는 원산지 중국
제조자 창주성존관업설비유한공사
A/S 책임자와 전화번호 또는 소비자상담 관련 전화번호 한국 (문진학 대표) 연락처 (한국) : 010-8831-4786

사용후기가 없습니다.

상품문의가 없습니다.

배송 

• 오후 2시 이전 구매 시 당일출고 

• 당일발송 기준, 배송완료일은 약 1~3일 이후입니다.

• 지역에 따라 추가 소요될 수 있습니다. (주말,공휴일 제외)

※ 제주도 및 도서,산간지역은 추가배송료가 있습니다.

교환

• 상품하자 발생시 왕복 배송료는 판매자 부담으로 이루어 집니다. 

• 구매자 변심으로 인한 반품 및 교환 시 왕복 배송료(8,000원)는 구매자분이 부담 하셔야 합니다.

• 개봉 또는 구매자분의 부주의로 인한 훼손상품은 재판매가 어려우므로 교환이 불가능합니다.

• 타 택배 이용 시 반품접수가 불가할 수 있습니다.

• 반품/교환 요청 시 고객센터로 문의 후 보내주셔야 원활히 처리됩니다.


※ 주의사항

• 주문 변경/취소 시 택배배송 마감전에 미리 연락주시기 바랍니다.

• 배송 후 제품 변경 취소건의 배송료는 구매자께서 부담하셔야 합니다.