본문 바로가기
X 1일간닫기

전체상품

스테인리스강 용접피팅

상품간략정보 및 구매기능

티 STS304W S10S 스테인리스

용접용 스테인리스

50% 10,000원

상품 선택옵션 1 개, 추가옵션 0 개

제조사 창주성존관업설비유한공사
원산지 중국
브랜드 창주성존관업설비유한공사
모델 T S10S STS304W
시중가격 20,000원
판매가격 10,000원
0점
배송비결제 주문시 결제

선택옵션

관련상품

등록된 관련상품이 없습니다.

상품 상세설명

4cc563443fcbc4f039222e814c224fc0_1754552284_157610000.png

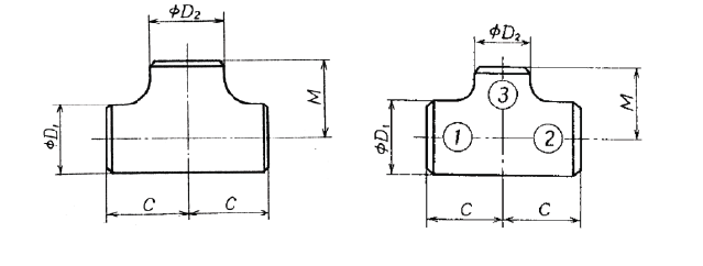
                                                                                                    단위 : mm

지름의 호칭바깥지름중심에서 끝면까지의 거리
ABD1D2CM
15½21.721.725.425.4
20¾27.227.228.628.6
25134.034.038.138.1
3242.742.747.647.6
4048.648.657.257.2
50260.560.563.563.5
6576.376.376.276.2
80389.189.185.785.7
90101.6101.695.395.3
1004114.3114.3104.8104.8
1255139.8139.8123.8123.8
1506165.2165.2142.9142.9
2008216.3216.3177.8177.8
25010267.4267.4215.9215.9
30012318.5318.5254.0254.0
35014355.6355.6279.4279.4
40016406.4406.4304.8304.8
45018457.2457.2342.9342.9
50020508.0508.0381.0381.0
55022558.8558.8419.1419.1
60024609.6609.6431.8431.8
65026660.4660.4495.3495.3
70028711.2711.2520.7520.7
75030762.0762.0558.8558.8
80032812.8812.8596.9596.9
85034863.6863.6635.0635.0
90036914.4914.4673.1673.1
95038965.2965.2711.2711.2
1000401016.01016.0749.3749.3
1050421066.81066.8762.0711.2
1100441117.61117.6812.8762.0
1150461168.41168.4850.9800.1
1200481219.21219.2889.0838.2



                                                                                                                             단위 : mm

지름의 호칭 ①×②×③바깥지름중심에서 끝면
까지의 거리
지름의 호칭 ①×②×③바깥지름중심에서 끝면
까지의 거리
ABD1D2CMABD1D2CM
20×20×15¾× ¾× ½27.221.728.628.6400×400×35016×16×14406.4355.6304.8304.8
25×25×201 ×1 × ¾34.027.238.138.1400×400×30016×16×12406.4318.5304.8295.3
25×25×151 ×1 × ½34.021.738.138.1400×400×25016×16×10406.4267.4304.8282.6
32×32×251¼×1¼×1 42.734.047.647.6400×400×20016×16× 8406.4216.3304.8273.1
32×32×201¼×1¼× ¾42.727.247.647.6400×400×15016×16× 6406.4165.2304.8263.5
32×32×151¼×1¼× ½42.721.747.647.6450×450×40018×18×16457.2406.4342.9330.2
40×40×321½×1½×1¼48.642.757.257.2450×450×35018×18×14457.2355.6342.9330.2
40×40×251½×1½×148.634.057.257.2450×450×30018×18×12457.2318.5342.9320.7
40×40×201½×1½× ¾48.627.257.257.2450×450×25018×18×10457.2267.4342.9308.0
40×40×151½×1½× ½48.621.757.257.2500×500×45020×20×18508.0457.2381.0368.3
50×50×402 ×2 ×1½ 60.548.663.560.3500×500×40020×20×16508.0106.4381.0355.6
50×50×322 ×2 ×1¼60.542.763.557.2500×500×35020×20×14508.0355.6381.0355.6
50×50×252 ×2 ×160.534.063.550.8500×500×30020×20×12508.0318.5381.0346.1
50×50×202 ×2 × ¾60.527.263.544.5500×500×25020×20×10508.0267.4381.0333.4
65×65×502½×2½×276.360.576.269.9500×500×20020×20×18508.0216.3381.0323.9
65×65×402½×2½×1½76.348.676.266.7550×550×50022×22×20558.8508.0419.1406.4
65×65×322½×2½×1¼76.342.776.263.5550×550×45022×22×18558.8457.2419.1393.7
65×65×252½×2½×176.334.076.257.2550×550×40022×22×16558.8406.4419.1381.0
80×80×653 ×3 ×2½89.176.385.782.6600×600×55024×24×22609.6558.8431.8431.8
80×80×503 ×3 ×289.160.585.776.2600×600×50024×24×20609.6508.0431.8431.8
80×80×403 ×3 ×1½89.148.685.773.0600×600×45024×24×18609.6457.2431.8419.1
80×80×323 ×3 ×1¼89.142.785.769.9650×650×60026×26×24660.4609.0495.3482.6
90×90×803½×3½×3101.689.195.392.1650×650×55026×26×22660.4558.8495.3469.9
90×90×653½×3½×2½101.676.395.388.9650×650×50026×26×20660.4508.0495.3457.2
90×90×503½×3½×2101.660.595.382.6700×700×65028×28×26711.2660.4520.7520.7
90×90×403½×3½×1½101.648.695.379.4700×700×60028×28×24711.2609.6520.7508.0
110×100×904 ×4 ×3½114.3101.6104.8101.6700×700×55028×28×22711.2558.8520.7495.3
100×100×804 ×4 ×3114.389.1104.898.4750×750×70030×30×28762.0711.2558.8546.1
100×100×654 ×4 ×2½114.376.3104.895.3750×750×65030×30×26762.0660.4558.8546.1
100×100×504 ×4 ×2114.360.5104.888.9750×750×60030×30×24762.0609.6558.8533.4
100×100×404 ×4 ×½114.348.6104.885.7800×800×75032×32×30812.8762.0596.9584.2
125×125×1005× 5× 4139.8114.3123.8117.5800× 800× 70032×32×28812.8711.2596.9571.5
125×125× 905× 5× 3½139.8101.6123.8114.3800× 800× 65032×32×26812.8660.4596.9571.5
125×125× 805× 5× 3139.889.1123.8111.1850× 850× 80034×34×32863.6812.8635.0622.3
125×125× 655× 5× 2½139.876.3123.8108.0850× 850× 75034×34×3086.4762.0635.0609.6
125×125× 505× 5× 2139.860.5123.8104.8850× 850× 70034×34×28863.6711.2635.0596.9
150×150×1256× 6× 5165.2139.8142.9136.5900× 900× 85036×36×34914.4863.6673.1660.4
150×150×1006× 6× 4165.2114.3142.9130.2900× 900× 80036×36×32914.4812.8673.1647.7
150×150× 906× 6× 3½165.2101.6142.9127.0900× 900× 75036×36×30914.4762.0673.1635.0
150×150× 806× 6× 3165.289.1142.9123.8950× 950× 90038×38×36965.2914.4711.2711.2
150×150× 656× 6× 2½165.276.3142.9120.7950× 950× 85038×38×34965.2863.6711.2698.5
200×200×1508× 8× 6216.3165.2177.8168.3950× 950× 80038×38×32965.2812.8711.2685.8
200×200×1258× 8× 5216.3139.8177.8161.91000×1000× 95040×40×381016.0965.2749.3749.3
200×200×1008× 8× 4216.3114.3177.8155.61000×1000× 90040×40×361016.0914.4749.3736.6
200×200× 908× 8× 3½216.3101.6177.8152.41000×1000× 85040×40×321016.0863.6749.3723.9
250×250×20010×10× 8267.4216.3215.9203.21050×1050×100042×42×401066.81016.0762.0711.2
250×250×15010×10× 6267.4165.2215.9193.71050×1050× 95042×42×381066.8965.2762.0711.2
250×250×12510×10× 5267.4139.8215.9190.51050×1050× 90042×42×361066.8914.4762.0711.2
250×250×10010×10× 4267.4114.3215.9184.21100×1100×105044×44×421117.61066.8812.8762.0
300×300×25012×12×10318.5267.4254.0241.31100×1100×100044×44×401117.61016.0812.8749.3
300×300×20012×12× 8318.5216.3254.0228.61100×1100× 95044×44×381117.6965.2812.8736.6
300×300×15012×12× 6318.5165.2254.0219.11150×1150×110046×46×441168.41117.6850.9800.1
300×300×12512×12× 5318.5139.8254.0215.91150×1150×105046×46×421168.41066.8850.9787.4
250×350×30014×14×12355.6318.5279.4269.91150×1150×100046×46×401168.41016.0850.9774.7
350×350×25014×14×10355.6267.4279.4257.21200×1200×115048×48×461219.21168.4889.0838.2
350×350×20014×14× 8355.6216.3279.4247.71200×1200×110048×48×441219.21117.6889.0838.2
350×350×15014×14× 6355.6165.2279.4238.11200×1200×105048×48×421219.21066.8889.0812.8



상품 정보 고시

품명 티 STS304W S10SSPPG 흑관
모델명 T S10S 스테인리스
법에 의한 인증·허가 등을 받았음을 확인할 수 있는 경우 그에 대한 사항 KS B1543 인증 제품
제조국 또는 원산지 중국
제조자 창주성존관업설비유한공사
A/S 책임자와 전화번호 또는 소비자상담 관련 전화번호 한국 (문진학 대표) 연락처 (한국) : 010-8831-4786

사용후기가 없습니다.

상품문의가 없습니다.

배송 

• 오후 2시 이전 구매 시 당일출고 

• 당일발송 기준, 배송완료일은 약 1~3일 이후입니다.

• 지역에 따라 추가 소요될 수 있습니다. (주말,공휴일 제외)

※ 제주도 및 도서,산간지역은 추가배송료가 있습니다.

교환

• 상품하자 발생시 왕복 배송료는 판매자 부담으로 이루어 집니다. 

• 구매자 변심으로 인한 반품 및 교환 시 왕복 배송료(8,000원)는 구매자분이 부담 하셔야 합니다.

• 개봉 또는 구매자분의 부주의로 인한 훼손상품은 재판매가 어려우므로 교환이 불가능합니다.

• 타 택배 이용 시 반품접수가 불가할 수 있습니다.

• 반품/교환 요청 시 고객센터로 문의 후 보내주셔야 원활히 처리됩니다.


※ 주의사항

• 주문 변경/취소 시 택배배송 마감전에 미리 연락주시기 바랍니다.

• 배송 후 제품 변경 취소건의 배송료는 구매자께서 부담하셔야 합니다.