본문 바로가기
X 1일간닫기

전체상품

탄소강 용접피팅

상품간략정보 및 구매기능

티 WPB S40

A234 WPB

50% 10,000원

상품 선택옵션 1 개, 추가옵션 0 개

제조사 창주성존관업설비유한공사
원산지 중국
브랜드 창주성존관업설비유한공사
모델 T S40 WPB
시중가격 20,000원
판매가격 10,000원
0점
배송비결제 주문시 결제

선택옵션

관련상품

등록된 관련상품이 없습니다.

상품 상세설명

6e1b4ae5843faad9b4469743d05314f6_1762997171_42_156210000.png

57ea1a9c855b76372be2047e0184401e_1763339987_39.png


                                                                         

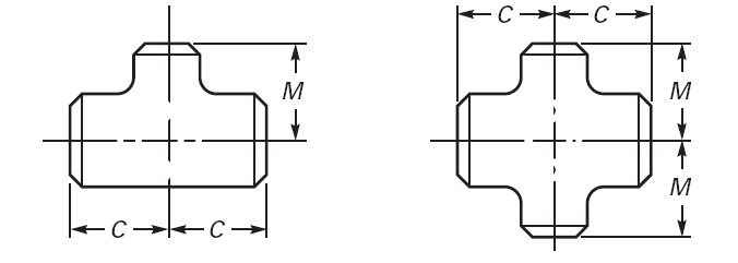
Dimensions of Straight Tees and Crosses
단위 : mm
Nominal   Center-to-End
Pipe Outside    
Size Diameter Run, Outlet, M
(NPS) at Bevel C [Notes (1) and (2)]
0.5 21.3 25 25
3/4 26.7 29 29
1 33.4 38 38
1 1/4 42.2 48 48
1 1/2 48.3 57 57
2 60.3 64 64
2 1/2 73.0 76 76
3 88.9 86 86
3 1/2 101.6 95 95
4 114.3 105 105
5 141.3 124 124
6 168.3 143 143
8 219.1 178 178
10 273.0 216 216
12 323.8 254 254
14 355.6 279 279
16 406.4 305 305
18 457.0 343 343
20 508.0 381 381
22 559.0 419 419
24 610.0 432 432
26 660.0 495 495
28 711.0 521 521
30 762.0 559 559
32 813.0 597 597
34 864.0 635 635
36 914.0 673 673
38 965.0 711 711
40 1,016.0 749 749
42 1,067.0 762 711
44 1,118.0 813 762
46 1,168.0 851 800
48 1,219.0 889 838
NOTES:
(1) Outlet dimension M for NPS 26 and larger is recommended but not required.
(2) Dimensions applicable to crosses NPS 24 and smaller.


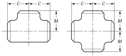
Dimensions of Reducing Tees and Crosses
단위 : mm
     OutsideCenter-to-End     OutsideCenter-to-End
NominalDiameter atOutlet,NominalDiameter at Outlet,
Pipe  SizBevelRun MPipe  SizBevelRun M
 (NPS)Run OutletC  (NPS)Run OutletC 
1/2×1/2×3/821.317.325254×4×3 1/2114.3101.6105102
1/2×1/2×1/421.313.725254×4×3114.388.910598
3/4×3/4×1/226.721.329294×4×2 1/2114.37310595
3/4×3/4×3/826.717.329294×4×2114.360.310589
1×1×3/433.426.738384×4×1 1/2114.348.310586
1×1×1/233.421.338385×5×4141.3114.3124117
1 1/4×1 1/4×142.233.448485×5×3 1/2141.3101.6124114
1 1/4×1 1/4×3/442.226.748485×5×3141.388.9124111
1 1/4×1 1/4×1/242.221.348485×5×2 1/2141.373124108
1 1/2×1 1/2×1 1/448.342.257575×5×2141.360.3124105
1 1/2×1 1/2×148.333.457576×6×5168.3141.3143137
1 1/2×1 1/2×3/448.326.757576×6×4168.3114.3143130
1 1/2×1 1/2×1/248.321.357576×6×3 1/2168.3101.6143127
2×2×1 1/260.348.364606×6×3168.388.9143124
2×2×1 1/460.342.264576×6×2 1/2168.373143121
2×2×160.333.464518×8×6219.1168.3178168
2×2×3/460.326.764448×8×5219.1141.3178162
2 1/2×2 1/2×273.060.376708×8×4219.1114.3178156
2 1/2×2 1/2×1 1/273.048.376678×8×3 1/2219.1101.6178152
2 1/2×2 1/2×1 1/473.042.2766410×10×8273219.1216203
2 1/2×2 1/2×173.033.4765710×10×6273168.3216194
3×3×2 1/288.973.0868310×10×5273141.3216191
3×3×288.960.3867610×10×4273114.3216184
3×3×1 1/288.948.3867312×12×10323.8273254241
3×3×1 1/488.942.2867012×12×8323.8219.1254229
3 1/2×3 1/2×3101.688.9959212×12×6323.8168.3254219
3 1/2×3 1/2×2 1/2101.673.0958912×12×5323.8141.3254216
3 1/2×3 1/2×2101.660.3958314×14×12355.6323.8279270
3 1/2×3 1/2×1 1/2101.648.3957914×14×10355.627.3.0279257
14×14×8355.6219.1279248
14×14×6355.6168.3279238



Dimensions of Reducing Outlet Tees and Reducing Outlet Crosses (Cont’d)
단위 : mm
     OutsideCenter-to-End     OutsideCenter-to-End
NominalDiameter atOutlet,NominalDiameter at Outlet,
Pipe  SizBevelRun MPipe  SizBevelRun M
 (NPS)Run OutletC  (NPS)Run OutletC 
16×16×14406.4355.630530528×28×26711660.0521521
16×16×12406.4323.830529528×28×24711610.0521508
16×16×10406.4273.030528328×28×22711559.0521495
16×16×8406.4219.130527328×28×20711508.0521483
16×16×6406.4168.3305264 
 28×28×18711457.0521470
18×18×16457.0406.434333028×28×16711406.4521457
18×18×14457.0355.634333028×28×14711355.6521457
18×18×12457.0323.834332128×28×12711323.8521448
18×18×10457.0273.0343308 
18×18×8457.0219.134329830×30×28762711.0559546
 30×30×26762660.0559546
20×20×18508.0457.038136830×30×24762610.0559533
20×20×16508.0406.438135630×30×22762559.0559521
20×20×14508.0355.638135630×30×20762508.0559508
20×20×12508.0323.8381346 
20×20×10508.0273.038133330×30×18762457.0559495
20×20×8508.0219.138132430×30×16762406.4559483
 30×30×14762355.6559483
22×22×20559.0508.041940630×30×12762323.8559473
22×22×18559.0457.041939430×30×10762273.0559460
22×22×16559.0406.4419381 
22×22×14559.0355.641938132×32×30813762.0597584
22×22×12559.0323.841937132×32×28813711.0597572
22×22×10559.0273.041935932×32×26813660.0597572
 32×32×24813610.0597559
24×24×22610.0559.0432432 
24×24×20610.0508.043243232×32×22813559.0597546
24×24×18610.0457.043241932×32×20813508.0597533
 32×32×18813457.0597521
24×24×16610.0406.443240632×32×16813406.4597508
24×24×14610.0355.643240632×32×14813355.6597508
24×24×12610.0323.8432397 
24×24×10610.0273.043238434×34×32864813.0635622
 34×34×30864762.0635610
26×26×24660.0610.049548334×34×28864711.0635597
26×26×22660.0559.049547034×34×26864660.0635597
26×26×20660.0508.0495457 
 34×34×24864610.0635584
26×26×18660.0457.049544434×34×22864559.0635572
26×26×16660.0406.449543234×34×20864508.0635559
26×26×14660.0355.649543234×34×18864457.0635546
26×26×12660.0323.849542234×34×16864406.4635533





상품 정보 고시

품명 티 WPB S40
모델명 T S40 WPB
법에 의한 인증·허가 등을 받았음을 확인할 수 있는 경우 그에 대한 사항 N/A
제조국 또는 원산지 중국
제조자 창주성존관업설비유한공사
A/S 책임자와 전화번호 또는 소비자상담 관련 전화번호 한국 (문진학 대표) 연락처 (한국) : 010-8831-4786

사용후기가 없습니다.

상품문의가 없습니다.

배송 

• 오후 2시 이전 구매 시 당일출고 

• 당일발송 기준, 배송완료일은 약 1~3일 이후입니다.

• 지역에 따라 추가 소요될 수 있습니다. (주말,공휴일 제외)

※ 제주도 및 도서,산간지역은 추가배송료가 있습니다.

교환

• 상품하자 발생시 왕복 배송료는 판매자 부담으로 이루어 집니다. 

• 구매자 변심으로 인한 반품 및 교환 시 왕복 배송료(8,000원)는 구매자분이 부담 하셔야 합니다.

• 개봉 또는 구매자분의 부주의로 인한 훼손상품은 재판매가 어려우므로 교환이 불가능합니다.

• 타 택배 이용 시 반품접수가 불가할 수 있습니다.

• 반품/교환 요청 시 고객센터로 문의 후 보내주셔야 원활히 처리됩니다.


※ 주의사항

• 주문 변경/취소 시 택배배송 마감전에 미리 연락주시기 바랍니다.

• 배송 후 제품 변경 취소건의 배송료는 구매자께서 부담하셔야 합니다.